¸Ãº¸Ç¹ÊÇרΪ¹Ü×Ó/¹Üǹȫ×Ô¶¯TIGº¸½ÓÉè¼ÆµÄ£¬£¬£¬£¬£¬ÊÊÓÃÓÚÒ»Ñùƽ³£¹Ü°åÐÎʽµÄ×Ô¶¯»¯º¸½Ó¡£¡£¡£¡£¡£¿£¿£¿£¿£¿£¿£¿£¿Éº¸½Ó̼¸Ö¡¢²»Ðâ¸ÖµÈÖÖÖÖ¹Ü×Ó/¹Ü°åÌÖÂÛÐÍʽ£¬£¬£¬£¬£¬Ö÷ÒªÊÇ¹ÜÆ½Æë¡¢²»ÌîË¿£¬£¬£¬£¬£¬¿ÉʵÏÖȫλÖÃTIG¹Ü/°åº¸½Ó£¬£¬£¬£¬£¬µÖ´ïÀíÏëµÄº¸½ÓЧ¹û£¬£¬£¬£¬£¬ÖØÏÖÐԸߡ£¡£¡£¡£¡£¿£¿£¿£¿£¿£¿£¿£¿ÉÓëiOrbital2000¡¢iOrbital3600¡¢iOrbital5000³Ì¿Øº¸½ÓµçÔ´ÅäÌ×ʹÓ㬣¬£¬£¬£¬Ö÷ÒªÓ¦ÓÃÓÚ»¯¹¤¡¢Ê³Îï¡¢Ò½Ò©¡¢ÖÖÖÖ»»ÈÈÆ÷¡¢µç³§¡¢¾ü¹¤ºÍºËµçµÈÐÐÒµ¡£¡£¡£¡£¡£
ÊÊÓÃÓÚµçÕ¾¡¢ÀäÄýÆ÷²»Ðâ¸Ö¡¢îѺϽð¹Ü°åº¸½Ó£»£»£»£»£»
²»ËÍË¿×ÔÈÜ£¬£¬£¬£¬£¬Ìå»ýС£¬£¬£¬£¬£¬ÖØÁ¿Çᣬ£¬£¬£¬£¬Àû±ã²Ù×÷£»£»£»£»£»
ÕÍоʽ¶¨Î»£¬£¬£¬£¬£¬º¸Ç¹Ç㸽¹¤¼þÉè¼Æ£¬£¬£¬£¬£¬¶¨Î»×¼È·£¬£¬£¬£¬£¬Çå¾²¿É¿¿£¬£¬£¬£¬£¬Àû±ã¿ì½Ý£»£»£»£»£»
¹Ø±Õʽº¸½Ó£¬£¬£¬£¬£¬È·±£»£»£»£»£»ñµÃÓÅÖʵĺ¸·ì£»£»£»£»£»
ÎÞ¾À¸ð£¬£¬£¬£¬£¬Ë®µçÆøÉè¼Æ£¬£¬£¬£¬£¬ÔöÇ¿ÐÍË®Àäϵͳ£¬£¬£¬£¬£¬ÔݽØÂʸߣ¬£¬£¬£¬£¬Ò»Á¬ÊÂÇéʱ¼ä³¤¡£¡£¡£¡£¡£
¿Éº¸²ÄÖÊ | ̼¸Ö¡¢²»Ðâ¸Ö¡¢îѺϽð |
¿Éº¸¹Ü¾¶£¨mm£© | ¦µ16£¦µ38£¨5/8¡å£1 1/2¡å£© |
¹Ü°åÐÎʽ | ¹ÜƽÆë |
ÎÙ¼«Ö±¾¶£¨mm£© | ¡é2.4 |
ÐýתËÙÂÊ£¨rpm£© | 0.6¡«12 |
º¸¾æÇã½Ç | 0?¡¢7?¿É»»£¨±êÅä7¡ã£© |
±£»£»£»£»£»¤ÆøÌå | ë²Æø |
ÀäÈ´·½·¨ | Ë®Àä |
ÀäÈ´Á÷Á¿£¨ml/min£© | ¡Ý300 |
¶î¶¨µçÁ÷ | 100A ÔÝÔØÂÊ 60% |
ÖØ Á¿£¨kg£© | 3.65(²»º¬µçÀÂ) |
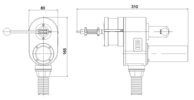
ÐÎ×´³ß´ç(mm) | 310¡Á80¡Á165 |





