¸Ãº¸Ç¹ÊÇרΪÖкñ±Ú¹Ü¹Ü¡¢¹ÜÍäÍ·¡¢¹ÜÈýͨTIGº¸½ÓÉè¼ÆµÄרÓú¸Ç¹£¬£¬£¬£¬£¬£¬£¬ÊÊÓÃÓÚ3~20mm±Úºñ¹ÜµÄȫλÖú¸½Ó¡£¡£¡£¡£¡£¡£¡£¿£¿£¿£¿£¿£¿Éº¸½Ó̼¸Ö¡¢²»Ðâ¸Ö¡¢Ë«Ïà¸ÖµÈ²ÄÖÊ¡£¡£¡£¡£¡£¡£¡£¿£¿£¿£¿£¿£¿ÉÑ¡Ôñ½ÓÄÉÌîË¿»ò×ÔÈÛÁ½ÖÖ·½·¨¡£¡£¡£¡£¡£¡£¡£×Ô´øÒ»ÌåʽËÍË¿»ú¿ÉʵÏÖÎÞ¾À¸ðËÍË¿£¬£¬£¬£¬£¬£¬£¬²¢¾ßÓÐ×Ô¶¯»¡³¤ºá°Ú¹¦Ð§¡£¡£¡£¡£¡£¡£¡£¿£¿£¿£¿£¿£¿ÉÓëiArc400³Ì¿Øº¸½ÓµçÔ´ÅäÌ×ʹÓ㬣¬£¬£¬£¬£¬£¬¿ÉϸÃÜʵÏÖTIGȫλÖú¸½Ó£¬£¬£¬£¬£¬£¬£¬ÖØÏÖÐԸߣ¬£¬£¬£¬£¬£¬£¬µÖ´ïÀíÏëµÄº¸½ÓЧ¹û¡£¡£¡£¡£¡£¡£¡£Ö÷ÒªÓ¦ÓÃÓÚ»¯¹¤¡¢Ê³Îï¡¢¹¤³Ì×°Öᢹ¤Òµ¹ÜµÀ¡¢´¬²°¡¢¹øÂ¯¡¢¾ü¹¤ºÍºËµçµÈÐÐÒµ¡£¡£¡£¡£¡£¡£¡£
Ö÷Òª²¿·Ö½ÓÄÉÂÁÖÆ£¬£¬£¬£¬£¬£¬£¬½á¹¹ÇáÓ¯£¬£¬£¬£¬£¬£¬£¬¿¨Ç¯Ê½×°¼Ð·½·¨¿ÉÊÊÓÃÓÚ²î±ð¹Ü¾¶£»£»£»£»£»£»£»
½ÓÄÉÎÞ¼ä϶³ÝÂÖ´«¶¯Éè¼Æ¡¢Ðý תƽÎÈ¡¢×ª¶¯¹ßÁ¿Ð¡£¡£¡£¡£¡£¡£¡£¬£¬£¬£¬£¬£¬£¬ÎÞ¿¨×èÕ÷Ï󣻣»£»£»£»£»£»
»úе¿¿Ä£µ¼Ïò»ú¹¹£¬£¬£¬£¬£¬£¬£¬Ê¹ÎÙ¼«¼°¹¤¼þÍâòµÄ¾àÀë¼á³Öºã¶¨£»£»£»£»£»£»£»
ÊÊÓñ¡±Ú̼¸Ö¡¢²»Ðâ¸Ö²ÄÖʵĹܵÀº¸½Ó£»£»£»£»£»£»£»
º¸Ç¹Ñ»·Ë®À䣬£¬£¬£¬£¬£¬£¬Ò»Á¬ÊÂÇéʱ¼ä³¤£»£»£»£»£»£»£»
¿É×ÔÈÛ¡¢¼ÓË¿º¸½Ó£»£»£»£»£»£»£»
ÆÕ±éÓ¦ÓÃÓڹܹܡ¢¹ÜÍäÍ·¡¢¹Ü·¨À¼¡¢¹Ü·§ÃŵȶàÖÖÌÖÂÛµÄÏÖ³¡×°Ö㻣»£»£»£»£»£»
TOA77 | TOA130 | TOA180 | TOA230 | TOA275 | TOA320 | |
¿Éº¸²ÄÖÊ | ̼¸Ö¡¢²»Ðâ¸Ö | ̼¸Ö¡¢²»Ðâ¸Ö | ̼¸Ö¡¢²»Ðâ¸Ö | ̼¸Ö¡¢²»Ðâ¸Ö | ̼¸Ö¡¢²»Ðâ¸Ö¡¢ºÏ½ð¸Ö | ̼¸Ö¡¢²»Ðâ¸Ö |
¿Éº¸¹Ü¾¶£¨mm£© | ÄÚ¼Ðǯ£º | ÄÚ¼Ðǯ£º | ÄÚ¼Ðǯ£º | ÄÚ¼Ðǯ£º | ÄÚ¼Ðǯ£º ¦Õ48~180 | ÄÚ¼Ðǯ£º |
Íâ¼Ðǯ£º | Íâ¼Ðǯ£º | Íâ¼Ðǯ£º | Íâ¼Ðǯ£º | Íâ¼Ðǯ£º ¦Õ180~275 | Íâ¼Ðǯ£º | |
ÎÙ¼«Ö±¾¶£¨mm£© | ¦µ2.4¡¢¦µ3.2 | ¦µ2.4¡¢¦µ3.2 | ¦µ2.4¡¢¦µ3.2 | ¦µ2.4¡¢¦µ3.2 | ¦µ2.4¡¢¦µ3.2 | ¦µ2.4¡¢¦µ3.2 |
ÐýתËÙÂÊ£¨rpm£© | 0.19¡«3.8 | 0.11¡«2.2 | 0.09¡«1.8 | 0.05¡«1.0 | 0~0.9£»£»£»£»£»£»£»ÐýתËÙÂÊÎó²î¡Ü3% | 0.026¡«0.52 |
±£»£»£»£»£»£»£»¤ÆøÌå | ë²Æø | ë²Æø | ë²Æø | ë²Æø | ë²Æø | ë²Æø |
ÀäÈ´·½·¨ | Ë®Àä | Ë®Àä | Ë®Àä | Ë®Àä | Ë®Àä | Ë®Àä |
ÀäÈ´Á÷Á¿£¨ml/min£© | ¡Ý300 | ¡Ý300 | ¡Ý300 | ¡Ý300 | ¡Ý300 | ¡Ý300 |
ºá°Ú¿í¶È£¨mm£© | 20 | 40 | 40 | 40 | 40 | 40 |
»¡³¤¸ß¶È£¨mm£© | 40 | 40 | 40 | 40 | 40 | 40 |
º¸Ë¿Ö±¾¶£¨mm£© | ¦µ1.0£¨±êÅ䣩 | ¦µ1.0£¨±êÅ䣩 | ¦µ1.0£¨±êÅ䣩 | ¦µ1.0£¨±êÅ䣩 | ¦Õ1.0£¨±êÅ䣩 | ¦µ1.0£¨±êÅ䣩 |
×î´óËÍË¿ËÙÂÊ £¨mm/min£© | 1800 | 1800 | 1800 | 1800 | 2000 | 1800 |
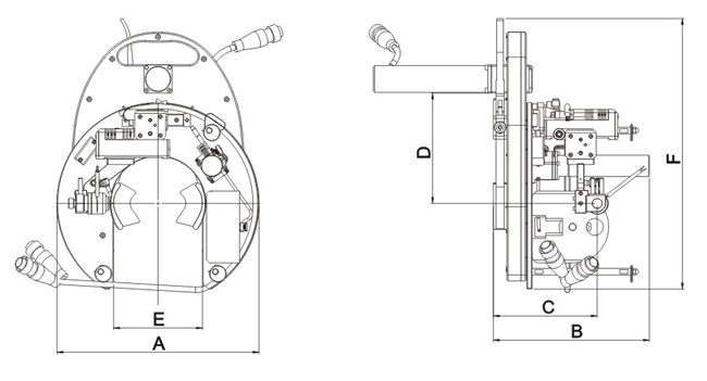
Ö÷Òª³ß´ç£¨mm£© | ||||||
A | 220 | 300 | 375 | 425 | 475 | 550 |
B | 180 | 235 | 285 | 300 | 278 | 315 |
C | 112¡«132 | 156¡«196 | 184¡«224 | 195¡«235 | 200~240 | 230¡«270 |
D | 92 | 165 | 225 | 250 | 273 | 297 |
E | 82 | 132 | 182 | 232 | 282 | 328 |
F | 320 | 400 | 525 | 570 | 607 | 680 |
ÖØ Á¿ | 5.5(²»º¬µçÀÂ) | 10.8(²»º¬µçÀÂ) | 19.5(²»º¬µçÀÂ) | 21.5(²»º¬µçÀÂ) | 19.5(²»º¬µçÀÂ) | 36(²»º¬µçÀÂ) |
ÐÎ×´³ß´ç(mm) | 370¡Á220¡Á320 | 435¡Á300¡Á400 | 445¡Á375¡Á525 | 465¡Á425¡Á570 | 408¡Á475¡Á607 | 430¡Á610¡Á680 |






