产品概述
手艺参数
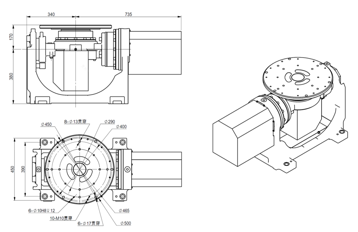
项目 | 参数 | |
变位机轴数 | 2轴(翻转轴、回转轴) | |
行动规模 | 翻转轴 | 270?(-135?~+135?) |
回转轴 | 480?(-240?~+240?) | |
最大行动速率 | 翻转轴 | 140?/SEC |
回转轴 | 115?/SEC | |
最大负荷 | 500kg | |
事情台面尺寸 | ?500mm | |
最大重心距 | 350mm | |
启动、阻止时的 允许转矩 | 翻转轴 | 3920Nm |
回转轴 | 3000Nm | |
减速比 | 翻转轴 | 129 |
回转轴 | 156 | |
质量 | 345kg | |
重复定位精度 | 0.1mm | |



